Hi,
Right now this is my set-up:
Inverter T10-G3
Smart meter DTSU666
They are connected with a cable and i have data about solar production and grid import/export only when inverter is working through day. So i wanted to upgrade it so i could have power monitoring 24/7. with help of Chat GPT i bought Elfin EW11 for this.
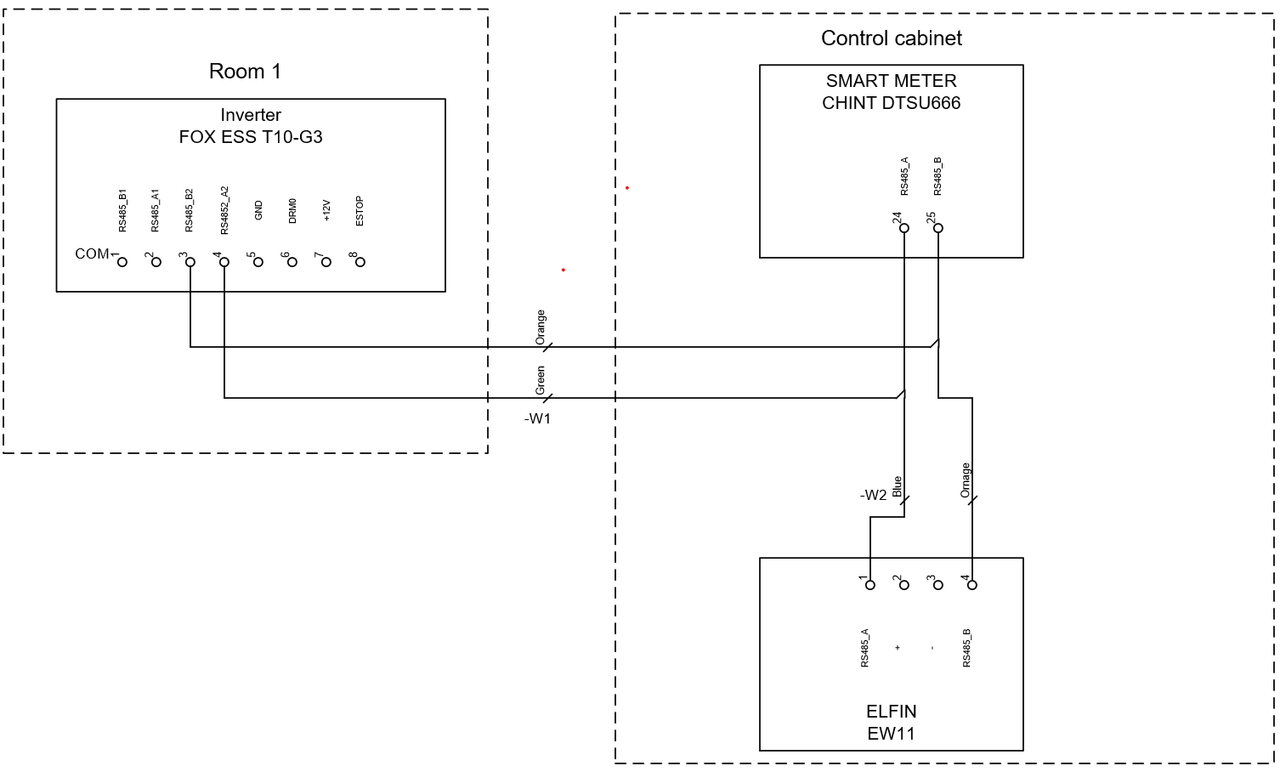
i'm made connection between T10-G3 inverter->smart meter Chint DTSU666 and Elfin EW11 for Modbus to wifi communication. Here is wiring i made: https://i.postimg.cc/pdMcVrhV/Modbus.png
since im not good at it im using Chat GPT to set-up Elfin EW and install Home assistant. I cant find clear instruction online for all this: how should it be wired, how to set up EW11, and installation of Home assistant.
Can someone help me with any instructions, manual or tell me in advance if its possible with this hardware configuration to get 24/7 energy monitoring even when inverter is shut down.
https://midsummerwholesale.co.uk/pdfs/e ... v1.0.7.pdf
Page 23 & 24, you cannot use the meter wiring for your modbus.
As mentioned above, except the USB port, there is another communication port with a multi Pin
connector for monitoring and communication on this series inverter. Depending on different version
device, three different connectors are possible for this multi pin connector. Depending on different
connectors, two RS485 ports are possible. RS485-1 can be used to monitoring the inverter. RS485-2 is
used to connect a smart meter(single machine anti-backflow function).
Page 23 & 24, you cannot use the meter wiring for your modbus.
As mentioned above, except the USB port, there is another communication port with a multi Pin
connector for monitoring and communication on this series inverter. Depending on different version
device, three different connectors are possible for this multi pin connector. Depending on different
connectors, two RS485 ports are possible. RS485-1 can be used to monitoring the inverter. RS485-2 is
used to connect a smart meter(single machine anti-backflow function).
What do you mean i cant use?
i saw online that people connect inverter, DTSU666 and EW11.
then what are those 2 ports: RS485 communication port and meter communication port?
i saw online that people connect inverter, DTSU666 and EW11.
then what are those 2 ports: RS485 communication port and meter communication port?
Those are Fox Ess's documents, it seems you have to use the correct pair of connections on the Inverter and not the meter connection pins.
Do you know ho wiring diagram should looks like? i have 0 exp with RS485
You need to open the PDF to the pages specified.
As there are 3 connector choices, and 2x tables of wiring.
I do not know what connector you have.
As there are 3 connector choices, and 2x tables of wiring.
I do not know what connector you have.
So page 23 has this connector type, and references Table 2
Then on Page 24 you have Table 2
So you have have on pins 3 & 4 your meter, you can check wiring matches this, then you need to add on Pins 1 & 2 the wire to your Modbus device.
Thank you for this. i will try it and see if anything happens.
Will there be communication between smart meter and EW11 if i connect it in this way since inverter is off during the night?
Right now i'm doing setup with help of ChatGPT and he sugested me to connect it in serial line (Inverter->smart meter-EW11). i get error in Modbus poll when i wanted to check values from meter.
Will there be communication between smart meter and EW11 if i connect it in this way since inverter is off during the night?
Right now i'm doing setup with help of ChatGPT and he sugested me to connect it in serial line (Inverter->smart meter-EW11). i get error in Modbus poll when i wanted to check values from meter.
If your inverter is off during the night, then not sure how it will send any values.
I think ChatGPT has sent you down the wrong path, so you need to rewire your system in the correct way, and then see how you get on.
I think ChatGPT has sent you down the wrong path, so you need to rewire your system in the correct way, and then see how you get on.
For now i've manage to connect DTSU666 over EW11 to Home assistant. Need to adjust HA so it can read values from DTSU.
Next step is to buys https://www.waveshare.com/rs485-hub-2p. ... bop28ezKjq
with this one Chat told me that Inverter and EW11 could be connected to DTSU666 at the same time (right now when both are connected i got communication error) so i disconnected inverter from smart meter.
Next step is to buys https://www.waveshare.com/rs485-hub-2p. ... bop28ezKjq
with this one Chat told me that Inverter and EW11 could be connected to DTSU666 at the same time (right now when both are connected i got communication error) so i disconnected inverter from smart meter.