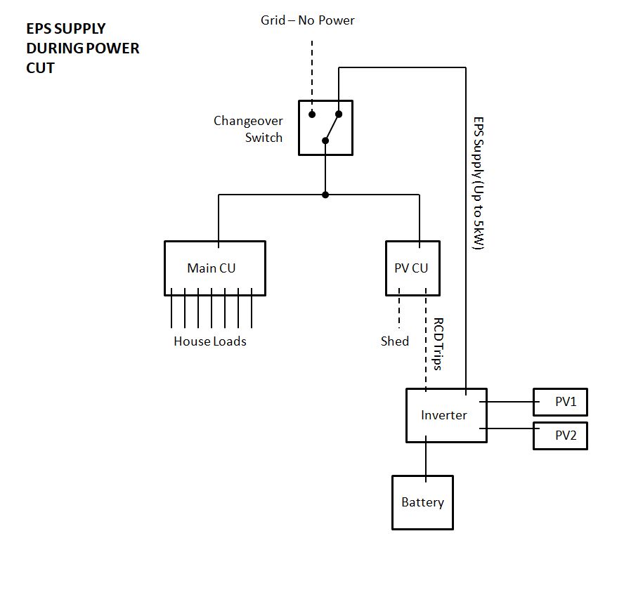
Our EPS supplies the whole house via a manual changeover switch, we manage the loads to ensure we stay below the 5kW rating of the inverter. See attached sketch - should also say we have a TT earth so don't need a separate earth rod (not shown in the diagram) .
The EPS has worked brilliantly during 2 power cuts in the last couple of weeks, however RCD in the consumer unit supplying the inverter has tripped on both occasions at some point during the power cut - I think when we flick the changeover switch to EPS. Not a problem as the EPS still works and provides power to the house but we need to remember to reset the RCD when grid power is back on otherwise we're then on pure grid power with no input from the inverter. The installer is going to look at this but any ideas why this may be the case? See sketch in EPS mode.
We also have a small neon light fitted to the changeover switch (not shown on the diagrams) to indicate when grid power is available so we don't have to constantly flick the changeover switch to check if power is back on.great write up, thanks for this.
Community Admin / FoxESS Elite Professional
Did I help you? Feel free to leave me a tip
Book a zoom meeting for remote consultancy or help
Switch to Octopus and earn £50
Get a heatpump from Octopus and earn £100
Subscribe to my YouTube channel
Fox ESS Tri Inverter Installation
2 x KH Hybird Inverters (Parallel Mode)
1 x H1 Gen1
24 x HV2600 (62.4kWh)
32 x 490w across 4 arrays
Dual Tesla Household
Heatpump & Low Carbon Housebuild





Fox ESS Tri Inverter Installation
2 x KH Hybird Inverters (Parallel Mode)
1 x H1 Gen1
24 x HV2600 (62.4kWh)
32 x 490w across 4 arrays
Dual Tesla Household
Heatpump & Low Carbon Housebuild
Hi
I may be completely wrong and only now learning about these things.
As I understand it, when the inverter switches over to EPS supply it disconnects the main supply and then links the N-PE in the inverter. As you’re feeding back into the “beginning” of your main supply with the EPS supply it may be seeing some sort of small current flow Imbalance through the RCD that trips.
Like I say, I may be completely wrong but I’m very interested in the EPS setup as we can experience quite a few short duration power cuts in bad weather.
I may be completely wrong and only now learning about these things.
As I understand it, when the inverter switches over to EPS supply it disconnects the main supply and then links the N-PE in the inverter. As you’re feeding back into the “beginning” of your main supply with the EPS supply it may be seeing some sort of small current flow Imbalance through the RCD that trips.
Like I say, I may be completely wrong but I’m very interested in the EPS setup as we can experience quite a few short duration power cuts in bad weather.
FoxESS H1 6Kw Inverter
3 x HV2600
3 x HV2600 on order
16x 405w Array
1x 3.5Kw Daikin AC heat and cool
2x 2.5Kw Daikin AC heat and cool
Suffolk
3 x HV2600
3 x HV2600 on order
16x 405w Array
1x 3.5Kw Daikin AC heat and cool
2x 2.5Kw Daikin AC heat and cool
Suffolk
This is the setup I've wired for EPS operation in the event I want to run in Island Mode or during a grid outage:
When the changeover switch is operated, the RCD for the grid mains supply to the inverter will trip. Your above explanation seems fitting.
When the changeover switch is operated, the RCD for the grid mains supply to the inverter will trip. Your above explanation seems fitting.
I will post a pic when I get the opportunity, but my EPS has been wired to avoid the RCD tripping that occurs.
I have a feeling that I used an MCB instead of an RCD for the PV system.
There are articles on this very topic on the web, as it is a known phenomena.
I have a feeling that I used an MCB instead of an RCD for the PV system.
There are articles on this very topic on the web, as it is a known phenomena.
Last edited by SolarJunkie on Sat Jan 07, 2023 9:31 am, edited 1 time in total.
16x JA Solar 495 panels 8 East, 8 West, low pitch roof
H1-5.0 hybrid inveter
5x HV2600 batteries
Marle iBoost solar diverter
H1-5.0 hybrid inveter
5x HV2600 batteries
Marle iBoost solar diverter
I have an RCBO in the dedicated CU for the grid supply to the inverter, which trips when the changeover switch is operated. My diagram is in post 6. I incorrectly stated I have an RCD. I'm wondering why I should need an RCBO, or any RCD type device on this circuit, as no resident at the property will be exposed to any of this wiring, and anyone touching the inverter and associated wiring should be knowledgeable. So I'm thinking to just change the RCBO to a MCB and so no more tripping? Anyone see any issues with this?
RCD /RCBO are not just for protection of someone touching the wiring and equipment but also in the event of a fault developing with the installation and creating a hazzard which would then trip the protection instantly or trip when a person touches something made live by the fault.cutlea01 wrote: ↑Fri Jan 06, 2023 11:05 pm I have an RCBO in the dedicated CU for the grid supply to the inverter, which trips when the changeover switch is operated. My diagram is in post 6. I incorrectly stated I have an RCD. I'm wondering why I should need an RCBO, or any RCD type device on this circuit, as no resident at the property will be exposed to any of this wiring, and anyone touching the inverter and associated wiring should be knowledgeable. So I'm thinking to just change the RCBO to a MCB and so no more tripping? Anyone see any issues with this?
15 x JA Solar 365W Mono MBB Percium Half-Cell Array - WSW Facing - split roof - 4 panels on low pitch
1 x H1AC1 Series 5.0 Inverter.
3 x Fox ESS HV2600 HV Batteries (faulty awaiting replacement (installer error))
1 x H1AC1 Series 5.0 Inverter.
3 x Fox ESS HV2600 HV Batteries (faulty awaiting replacement (installer error))
Hi,
I've done something similar using something like https://www.amazon.com/GEYA-W2R-3P-Auto ... r=8-6&th=1
And I've a similar problem: after a power outage the switch changes automatically from the grid to the inverter for all house as is meant to work but it also trips the breaker module that is protecting the inverter... so when the energy from the grid returns the switch automatically switches to the grid bu I need to turn on the breaker for the Inverter to work again.
Do you know how to fix this?
Best regards,
Pedro
I've done something similar using something like https://www.amazon.com/GEYA-W2R-3P-Auto ... r=8-6&th=1
And I've a similar problem: after a power outage the switch changes automatically from the grid to the inverter for all house as is meant to work but it also trips the breaker module that is protecting the inverter... so when the energy from the grid returns the switch automatically switches to the grid bu I need to turn on the breaker for the Inverter to work again.
Do you know how to fix this?
Best regards,
Pedro
Greetings to all.
I have purchased the H3-Pro 30kW invertor for my house use.
System setup:
Mppt 1a - 12x 450W Panels West
Mppt 1b - 12x 450W Panels West
Mppt 2a - 12x 450W Panels East
Mppt 2b - 12x 450W Panels East
Mppt 3a - 10x 450W Panels South
Mppt 3b - 10x 450W Panels South
Battery: 2x 26,6kWh High Voltage Batteries.
The Invertor has two connections, Main and EPS. I believe taht the EPS output is only functional if the Grid power fails. Is this correct?
If the power supply is available the invertor would supply the energy from the PV and battery until SOC is reached and then draw power from the grid. Is this correct?
So If you hardly ever have power shortages then you do not need to connect the EPS output. Correct?
Some kind of answer would be greatly appreciated. Unfortuanitly I cannot reach FoxESS here in germany for any backup.
Thank you in advance.
I have purchased the H3-Pro 30kW invertor for my house use.
System setup:
Mppt 1a - 12x 450W Panels West
Mppt 1b - 12x 450W Panels West
Mppt 2a - 12x 450W Panels East
Mppt 2b - 12x 450W Panels East
Mppt 3a - 10x 450W Panels South
Mppt 3b - 10x 450W Panels South
Battery: 2x 26,6kWh High Voltage Batteries.
The Invertor has two connections, Main and EPS. I believe taht the EPS output is only functional if the Grid power fails. Is this correct?
If the power supply is available the invertor would supply the energy from the PV and battery until SOC is reached and then draw power from the grid. Is this correct?
So If you hardly ever have power shortages then you do not need to connect the EPS output. Correct?
Some kind of answer would be greatly appreciated. Unfortuanitly I cannot reach FoxESS here in germany for any backup.
Thank you in advance.
Yes, you're correct you only have to connect the EPS if you want to have any kind of backup from the grid otherwise left it disconnected.
The inverter turns on the EPS when there's no energy from the grid and if correctly installed will disconnect the EPS when the grid resumes.
For me in Portugal the EPS is only a nice to have, blackouts are very rare but also the cost of having the inverter using also EPS is not relevant. For me ensures some kind on independency if something happens in the grid but is not really necessary.
The inverter turns on the EPS when there's no energy from the grid and if correctly installed will disconnect the EPS when the grid resumes.
For me in Portugal the EPS is only a nice to have, blackouts are very rare but also the cost of having the inverter using also EPS is not relevant. For me ensures some kind on independency if something happens in the grid but is not really necessary.
Just going through the spec and install of PV, H1-6.0-E-G2, EP11 and looking for whole house EPS. I saw the US have a great device similar to some other manufacturers the 'FOX HUB G2', it seems like this is coming to the UK which is fantastic news, but anyone got more info and when this is likely to happen and can confirm it will work with the current range of equipment?
https://us.fox-ess.com/wp-content/uploa ... 0630-1.pdf
https://us.fox-ess.com/wp-content/uploa ... 0630-1.pdf
On last months call with Fox, they said that the new Power cube is pending certification and will be released shortly - with stock on the ground beginning of December, so very close.origin wrote: ↑Thu Oct 31, 2024 12:49 pm Just going through the spec and install of PV, H1-6.0-E-G2, EP11 and looking for whole house EPS. I saw the US have a great device similar to some other manufacturers the 'FOX HUB G2', it seems like this is coming to the UK which is fantastic news, but anyone got more info and when this is likely to happen and can confirm it will work with the current range of equipment?
https://us.fox-ess.com/wp-content/uploa ... 0630-1.pdf
There is a mention of it here approx 5.20 minutes in https://www.youtube.com/watch?v=EhRI2I1iv6E&t=324s
Thanks for the reply Dave, but unless I've misunderstood, the Fox Hub G2 is just the "whole house backup" ATS unit (no invertor, no batteries), very similar to the giv-gateway or effectively a set of contactors/relays and a bit of magic in one box, that sits before your dist board and with a comms cable to the inverter, ct clamp on the grid, and ground spike, that automagically isolates the grid and lets you run safely off batteries and PV when the grid goes out with about 10ms delay or ideally less.
The "power cube" is the new all in one setup that sits the invertor on top of the more expensive stackable batteries.
The "power cube" is the new all in one setup that sits the invertor on top of the more expensive stackable batteries.
Ok sorry, I should have followed your link, I assumed it was the forthcoming Power cube that is an inverter and 'hub' built in together and then sits on top of an ECS(EQ) battery stack.
I haven't heard anything about the Hub being released here in the UK, and I would have thought with our regulatory requirements and legacy of earthing systems, that might be a bridge too far for Fox to cross.
These guys do have a UK complaint ATS system and i've heard a few users recommend them so might be worth a look https://www.eco-ess.co.uk/automatic-cha ... ar-systems
I haven't heard anything about the Hub being released here in the UK, and I would have thought with our regulatory requirements and legacy of earthing systems, that might be a bridge too far for Fox to cross.
These guys do have a UK complaint ATS system and i've heard a few users recommend them so might be worth a look https://www.eco-ess.co.uk/automatic-cha ... ar-systems
The new 'powervault' from foxess is interesting. I struggle to see any difference between this and the hub G2, but either way the moment it's available in the UK I need to grab one.
Further Power Vault info: https://www.facebook.com/FoxESSglobal/p ... spgGJR32hl
So a some bad news for us UK folks. According to Fox-ESS (email from the UK service team) the PowerVault is aimed at the Australian market and will not be released in the UK.
follow up:
After asking if any product is going to be released in the UK like this or the g2 smart hub I had the following response:
"We are not aware of any product like that going to launch in the UK soon."
That is a huge shame and means fox ess is lagging behind a number of other oem's who have brought a simple whole house eps setup out for reasonable money.
After asking if any product is going to be released in the UK like this or the g2 smart hub I had the following response:
"We are not aware of any product like that going to launch in the UK soon."
That is a huge shame and means fox ess is lagging behind a number of other oem's who have brought a simple whole house eps setup out for reasonable money.
Hi everyone,
New member here! Recently had a Fox system fitted, 2x 25kw H3 Pro inverters: solar + 40kWh of EQS4800 batteries.
Bought partially on the basis it could provide Emergency Power Supply to the whole house in the event of a power cut. It remains unclear to me if multiple H3 Pro Inverters, controlled via AI Link, are compatible with the EPS 3ph Unit required for Automatic Switchover for EPS. We do not have dedicated backup circuits for essential loads etc so the only option is to provide power to the whole house.
Does anyone have experience of wiring 2x 3ph Fox inverters up to a manual changeover switch to supply the house's main board?
Another possible option could be to wire just 1x inverter (25kw inverter/20kwh batteries) to a manual changeover switch. We would only have access to half the solar/batteries but it would be better than nothing. I'm aware we would have to monitor loads in the house to ensure the maximum output of the Inverter is not breached.
Any thoughts/suggestions welcomed!
Thanks,
AW
New member here! Recently had a Fox system fitted, 2x 25kw H3 Pro inverters: solar + 40kWh of EQS4800 batteries.
Bought partially on the basis it could provide Emergency Power Supply to the whole house in the event of a power cut. It remains unclear to me if multiple H3 Pro Inverters, controlled via AI Link, are compatible with the EPS 3ph Unit required for Automatic Switchover for EPS. We do not have dedicated backup circuits for essential loads etc so the only option is to provide power to the whole house.
Does anyone have experience of wiring 2x 3ph Fox inverters up to a manual changeover switch to supply the house's main board?
Another possible option could be to wire just 1x inverter (25kw inverter/20kwh batteries) to a manual changeover switch. We would only have access to half the solar/batteries but it would be better than nothing. I'm aware we would have to monitor loads in the house to ensure the maximum output of the Inverter is not breached.
Any thoughts/suggestions welcomed!
Thanks,
AW
Hi and welcome to the forum,
I'd say it is likely there are only a few members that would have the H3 Pro in parallel with that configuration, I do know of several installs in South Africa similar to this (they have lots of power fails) but I think if you don't get a response you might do better on our Facebook group as there are considerably more international members on there and these configs are more 'typical'.
The group is here https://www.facebook.com/groups/foxessownersgroup
I'd say it is likely there are only a few members that would have the H3 Pro in parallel with that configuration, I do know of several installs in South Africa similar to this (they have lots of power fails) but I think if you don't get a response you might do better on our Facebook group as there are considerably more international members on there and these configs are more 'typical'.
The group is here https://www.facebook.com/groups/foxessownersgroup
Many thanks Dave - from what I gather, I think we are one of the few in the UK with parallel H3 Pros, full stop
Logically, it should be possible, although doing it in practice is another question!
